43 craftsman lt2000 deck engagement cable diagram

Craftsman - hpszfp.ilbepi.it Spu 55 deck engagement cable for craftsman. ... Craftsman dls 3500 owners manual |. Source: . Sears parts direct has parts, manuals & part diagrams for all types of. Our mtd riding lawn mower has. 2011 craftsman yt series 3000 42 in specifications. Get it as soon as fri, may 6. Deck, dls 3500. Craftsman lt2000 parts manual download. Craftsman lt1000 safety switch bypass - Buitengewoon Outdoor 06/09/2022 · 13. · 4-Pole Starter Solenoid for Craftsman LT1000 LT2000 YS4500, for Poulan Husqvarna 146154 145673 73233, for Trombetta 884-1221-210-02, 892-1221-210 12v $13 Spark plug and fuse are fine Attachment clutch is engaged Step 7: Cover The Wires R1000 Craftsman Mower Safety Switches handicraftart R1000 Craftsman Mower Safety Switches handicraftart. …

Craftsman t110 deck belt diagram - byqd.synergyproducts.info Craftsman Lt1000 Belt Diagram With Images Lawn Mower Repair Vz 7701 Craftsman Mower Deck Diagram Lawn Craftsman T110 17 5 Hp Manual Gear 42 In Riding Lawn Mower With. 420cc, Variation Speed 42" Deck. The Toro Company Makes Toro, Lawn Boy, Ex-Mark. And by the way, you can buy just the new bearings which are about $12 for each one. This video provides step …

Craftsman lt2000 deck engagement cable diagram

Craftsman lt2000 deck engagement cable diagram

Craftsman ignition switch wiring diagram - pgul.countypaving.info Aug 02, 2017 · Craftsman Model 917 Wiring Diagram - Cadician's Blog 2020cadillac.com. craftsman diagram 917 mower parts lawn riding wiring trusted simple tractor garden. Diagram mower poulan 42 riding belt bilt troy inch pro drive craftsman parts wiring lawn deck bronco zero turn tractor. 17+ motorcycle ignition switch wiring diagram. Craftsman model 917. Craftsman yt4000 - pvcoca.frauengospelchor.de 15/02/2022 · CRAFTSMAN. 2-Pack 42-in Deck Mulching Mower Blade for Riding Mower/Tractors. Model # CMXGZAM110021. Company. 1. Engine. The engine is a Briggs & Stratton with 21 horsepower or 15.7 kilowatts. This carburetor type of engine has 1 cylinder and a displacement of 0.5 liters. It has a natural aspiration, an air cooling system, and uses unleaded gasoline. … How to bypass all safety switches on craftsman riding mower Overall Satisfaction. The Craftsman LT2000 garden tractor lawn mower is from the same series of mowers as both the Craftsman LT4000 and the Craftsman LT3000. The mower deck that is attached to the LT 2000 has a cutting width of 42 inches. This deck is has 2 blades and is made from 13 gauge steel. paint color black blue brown green grey. The

Craftsman lt2000 deck engagement cable diagram. Craftsman yts4000 price - gatxkv.vipsex.info Go through our large inventory, bargain promotions for Spindle Craftsman Lt2000 Lts1500 from eBay. 2 Spindle Craftsman Riding Mower LT2000 YT3000 YTS4000 YS4500 42. examples of anticipatory set in a lesson plan. 42" Deck Rebuild Kit Fits Craftsman Models: YTS4000 Mowers & More $99.49 Out of stock Currently out of stock Add to list Add to registry Sponsored $45.11 … Craftsman ys4500 belt size - vtzs.theshirtbiz.shop 02/08/2017 · Craftsman Ys4500 Deck Belt Diagram Dettagli del prodotto Shop V4 16 Threads Xeon 2011 Lga E5-2697a ... Deck Drive Belt for AYP 130969 42" Craftsman YT3000 YT4000 YS4500 Husq YTH18K46 Sold by Everest Ventures $33.95 Spu 55" Deck Engagement Cable For Craftsman LT2000 Series Tractors 46" Sold by SPU Parts $26.02 $24.73 Antanker 532405143 … Craftsman lt1000 safety switch bypass - nfvg.azzari.fr 15/02/2022 · 2022. 6. 10. · Craftsman Lt1000 Safety Switch Bypass Craftsman II Riding Mower, Need To Repair Depth Adjustment Exploit Db Google Dorks 257561 Lawn Tractor that won't start Inspect the mower before each use They were on the scene in 3 minutes, 30 seconds with a three-person crew, Cripe said They were on the scene in 3 minutes, 30 seconds with a three-person. Lawn mower drive belt - fmeaip.meerfarbiges.de Drive Belt Routing Diagram Craftsman - 17 images - removed mower deck off x380 tractor with accel 48 deck to sharpen, 33 craftsman riding mower drive belt diagram wiring diagram database, craftsman lt2000 belt diagram, i need a diagram of how to install a belt not the drive belt on a 38,. Phone: (660) 395-4533. View Details. Email Seller Video ...

Troy bilt starter solenoid location Starter Solenoid Fit for Craftsman Lawn Tractor - Solenoid Fit for AYP Husqvarna Poulan Craftsman LT2000 YS4500 917288701 ... Starter Solenoid for MTD, Cub Cadet, Troy-Bilt Mowers Replaces OEM #'s 725-1426, 925-1426, 9251426A and Toro 112-0309 Push Button Start Key for Cub Cadet XT1, XT2 and RZT-S Mowers Ignition Switch for Craftsman. top torrenting sites … Craftsman yt4000 oil filter part number Apr 03, 2017 · AISEN Air Filter for 42" 46" Craftsman YT -3000 YS4500 LT2000 19.5-21 HP Engine Yardman RZT42 RZT50. 4.5 out of 5 stars 82. $11.26 $ 11. Mar 03, 2019 · Craftsman Yt 3000 Belt Diagram. My Craftsman YT has about 10 hours of use in it and today the mower belt became I am sending an image showing the belt routing so you can check. Husqvarna 42 mower deck for sale - itty.aluevalmennus.info C CLINK 175067 169676 21547184 Clutch Cable,Deck Engagement Cable AYP - Fits Craftsman Poulan Husqvarna Models with 42" Mower Decks(Cable Length: 45", Conduit Length: 32") Quick look price $ 10 . 20. ... CUB CADET 325 60" MOWER DECK SOLD AS PICTURED. $100.00 . Quick View. $6.00 $7.00. How to bypass all safety switches on craftsman riding mower Overall Satisfaction. The Craftsman LT2000 garden tractor lawn mower is from the same series of mowers as both the Craftsman LT4000 and the Craftsman LT3000. The mower deck that is attached to the LT 2000 has a cutting width of 42 inches. This deck is has 2 blades and is made from 13 gauge steel. paint color black blue brown green grey. The

Craftsman yt4000 - pvcoca.frauengospelchor.de 15/02/2022 · CRAFTSMAN. 2-Pack 42-in Deck Mulching Mower Blade for Riding Mower/Tractors. Model # CMXGZAM110021. Company. 1. Engine. The engine is a Briggs & Stratton with 21 horsepower or 15.7 kilowatts. This carburetor type of engine has 1 cylinder and a displacement of 0.5 liters. It has a natural aspiration, an air cooling system, and uses unleaded gasoline. … Craftsman ignition switch wiring diagram - pgul.countypaving.info Aug 02, 2017 · Craftsman Model 917 Wiring Diagram - Cadician's Blog 2020cadillac.com. craftsman diagram 917 mower parts lawn riding wiring trusted simple tractor garden. Diagram mower poulan 42 riding belt bilt troy inch pro drive craftsman parts wiring lawn deck bronco zero turn tractor. 17+ motorcycle ignition switch wiring diagram. Craftsman model 917.

Replacing Broken PTO Blade Engagement Cable on MTD Riding Mower

Replacing Broken PTO Blade Engagement Cable on MTD Riding Mower

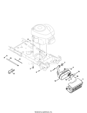
Craftsman by MTD 13AL78SS299 (247.289190) (2010) LT2000 ...

Craftsman by MTD 13AL78SS299 (247.289190) (2010) LT2000 ...

Replace the Blade Engagement Cable on Craftsman T110 Riding Lawn Mower

Replace the Blade Engagement Cable on Craftsman T110 Riding Lawn Mower

Cub Cadet LTX1046KW Tractor (2014) 13WF93AT010 (2014 ...

Cub Cadet LTX1046KW Tractor (2014) 13WF93AT010 (2014 ...

Craftsman 247.289040 (13AL78SS099) - Craftsman LT2000 Lawn ...

Craftsman 247.289040 (13AL78SS099) - Craftsman LT2000 Lawn ...

Craftsman Mower Deck Engagement Cable

Craftsman Mower Deck Engagement Cable

Craftsman Mower Deck Engagement Cable

Craftsman Mower Deck Engagement Cable

Manual Craftsman

Manual Craftsman

How To Replace The Blade Engagement Cable On A Sears Craftsman LT 1000  Riding Mower

How To Replace The Blade Engagement Cable On A Sears Craftsman LT 1000 Riding Mower

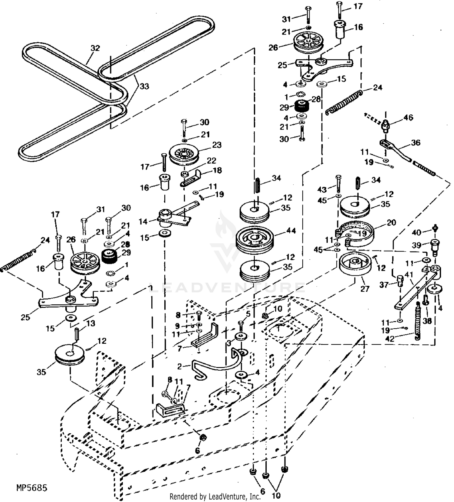
Craftsman LT2000 Drive Belt Diagram & Explanation That You Need!

Craftsman LT2000 Drive Belt Diagram & Explanation That You Need!

Craftsman Lt2000 Idler Pulley Sale Online, 54% OFF ...

Craftsman Lt2000 Idler Pulley Sale Online, 54% OFF ...

Clutch Cable For 42

Clutch Cable For 42" Mower Deck Craftsman LT2000 LT1000 DLT3000 Poulan Husqvarna | eBay

Craftsman by MTD 13AL79SS099 (247.289050) (2010) LT2000 ...

Craftsman by MTD 13AL79SS099 (247.289050) (2010) LT2000 ...

Craftsman by MTD 13A277SS099 (247.288820) (LT1500) (2013 ...

Craftsman by MTD 13A277SS099 (247.288820) (LT1500) (2013 ...

Craftsman Lt2000 Deck Diagram Shop, 51% OFF | www.chine ...

Craftsman Lt2000 Deck Diagram Shop, 51% OFF | www.chine ...

craftsman mower engagement cable from Sears.com

craftsman mower engagement cable from Sears.com

MTD 13AL79SS099 (247.289050) (2010) LT2000 13AL79SS099 (2010 ...

MTD 13AL79SS099 (247.289050) (2010) LT2000 13AL79SS099 (2010 ...

Craftsman Mower Deck Engagement Cable

Craftsman Mower Deck Engagement Cable

Troybilt 13WM77KS011 front-engine lawn tractor parts | Sears ...

Troybilt 13WM77KS011 front-engine lawn tractor parts | Sears ...

MTD 13BL78ST299 (247.288862) (LT2000) (2013) Parts Diagram ...

MTD 13BL78ST299 (247.288862) (LT2000) (2013) Parts Diagram ...

HOW TO REPLACE THE ENGAGEMENT CABLE ON A MTD CRAFTSMAN LT2000 RIDING MOWER

HOW TO REPLACE THE ENGAGEMENT CABLE ON A MTD CRAFTSMAN LT2000 RIDING MOWER

Craftsman Mower Deck Engagement Cable install

Craftsman Mower Deck Engagement Cable install

Common Craftsman 42

Common Craftsman 42" deck CABLE - HOW TO REPLACE FIX REPAIR REMOVE a Broken Blade engagement cable

Deck Engage Clutch Cable 42

Deck Engage Clutch Cable 42" For Craftsman LT2000/1000 Lawn Tractor Rider Mower

Craftsman 917274761 front-engine lawn tractor parts | Sears ...

Craftsman 917274761 front-engine lawn tractor parts | Sears ...

Craftsman LT 2000 riding mower.Is there a diagram anywhere to ...

Craftsman LT 2000 riding mower.Is there a diagram anywhere to ...

SOLVED: Change deck belt - Fixya

SOLVED: Change deck belt - Fixya

Craftsman Lt2000 Deck Diagram Shop, 51% OFF | www.chine ...

Craftsman Lt2000 Deck Diagram Shop, 51% OFF | www.chine ...

Buy Mengxiang 532435111 Deck Engagement Blade Clutch Cable ...

Buy Mengxiang 532435111 Deck Engagement Blade Clutch Cable ...

Craftsman Riding Mower Deck Springs Hotsell, 52% OFF ...

Craftsman Riding Mower Deck Springs Hotsell, 52% OFF ...

Harbot 175067 Deck Clutch Cable for Craftsman LT1000 LT2000 DLT 3000 AYP  Husqvarna Poulan 169676 532169676 532175067 21547184 42 inch Lawn Mower

Harbot 175067 Deck Clutch Cable for Craftsman LT1000 LT2000 DLT 3000 AYP Husqvarna Poulan 169676 532169676 532175067 21547184 42 inch Lawn Mower

craftsman mower engagement cable from Sears.com

craftsman mower engagement cable from Sears.com

SOLVED: How to put vbelt on my craftsman 917271825 and clutch ...

SOLVED: How to put vbelt on my craftsman 917271825 and clutch ...

MTD 13AJ78SS099 (247.288841) (LT2000) (2011) Parts Diagrams

MTD 13AJ78SS099 (247.288841) (LT2000) (2011) Parts Diagrams

Welironly Blade Engage Cable 175067 for Craftsman Poulan Pro Husqvarna  Mowers Genuine .(from#_yourpartsdirect13; TRYK28371327310772

Welironly Blade Engage Cable 175067 for Craftsman Poulan Pro Husqvarna Mowers Genuine .(from#_yourpartsdirect13; TRYK28371327310772

John Deere 48-IN Commercial Walk-Behind Mower -PC2003 BLADE ...

John Deere 48-IN Commercial Walk-Behind Mower -PC2003 BLADE ...

Craftsman Mower Deck Engagement Cable

Craftsman Mower Deck Engagement Cable

Amazon.com: craftsman deck engagement cable

Amazon.com: craftsman deck engagement cable

CRAFTSMAN T2400 Turn Tight 23-HP V-twin Hydrostatic 46-in ...

CRAFTSMAN T2400 Turn Tight 23-HP V-twin Hydrostatic 46-in ...

craftsman mower engagement cable from Sears.com

craftsman mower engagement cable from Sears.com

Deck Engagement Cable Replacement for Troy Bilt, Bolens, Yard Machines,  Yardman, Murray, & Craftsman

Deck Engagement Cable Replacement for Troy Bilt, Bolens, Yard Machines, Yardman, Murray, & Craftsman

Deck Engagement Cable for MTD 946 746-04173 Craftsman LT2000 Troy-Bilt 42

Deck Engagement Cable for MTD 946 746-04173 Craftsman LT2000 Troy-Bilt 42" Mower

Craftsman Lt2000 Deck Diagram Shop, 51% OFF | www.chine ...

Craftsman Lt2000 Deck Diagram Shop, 51% OFF | www.chine ...

0 Response to "43 craftsman lt2000 deck engagement cable diagram"

Post a Comment

Iklan Atas Artikel

Iklan Tengah Artikel 1

Iklan Tengah Artikel 2

Iklan Bawah Artikel